JC-Hydraulic prioriza la satisfacción del cliente ofreciendo tecnología, calidad y servicios de primer nivel. Nos centramos en satisfacer las necesidades específicas de nuestros clientes proporcionándoles equipos para minas a cielo abierto y soluciones integrales. Nuestros servicios incluyen consultoría tecnológica preventa, soporte de diseño, servicios posventa, capacitación en instalación y mantenimiento, y entrega rápida de repuestos. Nuestro objetivo final es maximizar el valor del cliente mediante la entrega constante de soluciones fiables y eficientes. En JC-Hydraulic, nos sentimos orgullosos de nuestra responsabilidad y misión de resolver los problemas e inquietudes de nuestros clientes.
Consultoría Tecnológica En JC-Hydraulic, nos esforzamos por ofrecer a nuestros clientes la mejor asistencia posible. Si necesita asistencia, puede ponerse en contacto con nosotros de forma rápida y sencilla a través de nuestra línea directa o correo electrónico. Nuestros experimentados técnicos están siempre disponibles para responder a sus preguntas y ofrecerle soluciones sólidas. Para asegurarnos de que cumplimos sus requisitos específicos, nos comunicamos con usted antes de la venta, ofreciéndole una gama de soluciones tecnológicas entre las que elegir. Confíe en nosotros para ofrecerle servicios y productos de la máxima calidad que maximicen su satisfacción.
Soporte en el Diseño Con el fin de satisfacer las necesidades específicas de nuestros clientes, nuestros ingenieros harán uso de sus 30 años de experiencia para desarrollar soluciones adecuadas, incluyendo diseño, pruebas, personalización de planos, etc. Responderemos a cualquier solicitud que tenga en materia de diseño técnico.
Transformamos ideas en productos tangibles utilizando tecnología avanzada de diseño por ordenador
Construcción de modelos de productos 3D
Análisis de elementos finitos
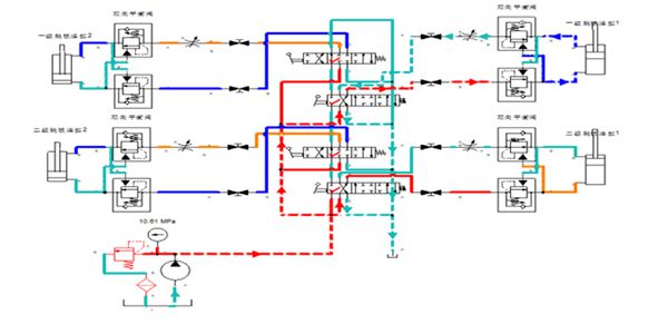
Simulación de sistemas hidráulicos y eléctricos
Demostración de renderizado de productos
Respuestas en línea En JC-Hydraulic, tenemos la capacidad de proporcionar servicios integrales al cliente. Puede contar con nosotros para responder a sus preguntas sobre equipos y piezas de minería en un plazo de 24 horas, ya sea antes o después de una compra. Y si necesita ayuda con aplicaciones de equipos in situ, podemos conectarnos por vídeollamada.
Capacitación sobre mantenimiento de equipos Los ingenieros de JC-Hydraulic le proporcionarán capacitación a traves de manuales de instalación e instrucciones en vídeo. Puede ponerse en contacto con nosotros a través de nuestra línea directa para solicitar un servicio de mantenimiento de su equipo durante 1 año. Si lo necesita, le recomendaremos centros de reparación y distribuidores locales para satisfacer sus necesidades de reparación fuera de línea.
Entrega rápida de piezas de repuesto JC-Hydraulic dispone de un amplio stock de piezas de repuesto. Si se pone en contacto con nosotros para solicitar piezas de repuesto, se las enviaremos lo antes posible. Y también podemos recomendarle un centro de reparación o distribuidor local para los clientes extranjeros.








